中低压变频器
交流接触器、交流开关
塑壳式断路器、漏电断路器
富士电机(中国)有限公司
总 机:021-54961177 (工作日9:00-17:00)
电焊机是对2个以上的金属部件加热或加压,从而使其融为一体的装置。
用于焊接汽车的车身等,包括对金属加压通电,利用电阻热将其熔化进而连为一体的点焊等。
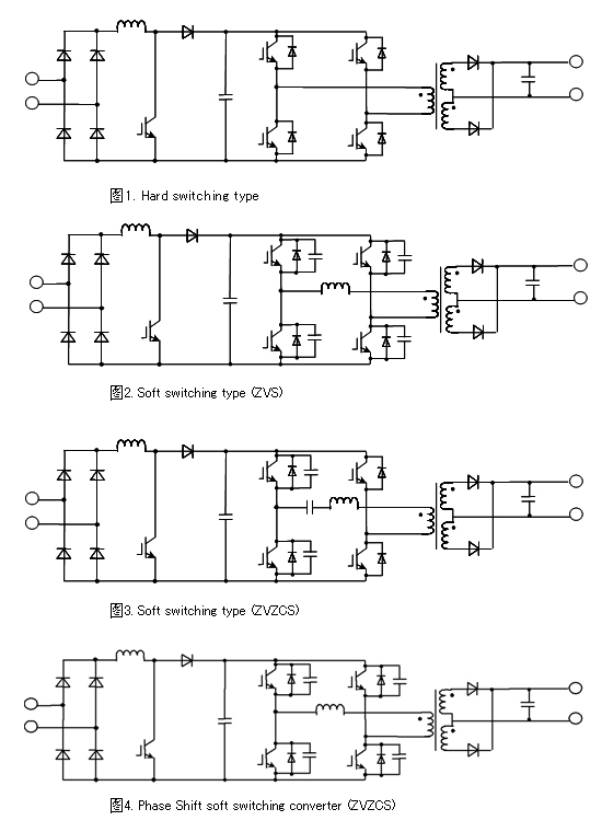
| Ic [A] | IGBT型号 | 应用例 |
|---|---|---|
| 100 | 2MBI100HB-120-50 | 图1.-图3. |
| 100 | 2MBI100HJ-120-50 | 图4. |
| 150 | 2MBI150HH-120-50 | 图1.-图3. |
| 150 | 2MBI150HJ-120-50 | 图4. |
| 200 | 2MBI200HH-120-50 | 图1.-图3. |
| 200 | 2MBI200HJ-120-50 | 图4. |
| 300 | 2MBI300HJ-120-50 | 图4. |
:新产品
:更新
:开发中



