中低压变频器
交流接触器、交流开关
塑壳式断路器、漏电断路器
富士电机(中国)有限公司
总 机:021-54961177 (工作日9:00-17:00)
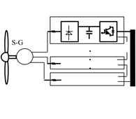
作为对环境无害的绿色发电方法,利用自然风进行发电的风力发电机在全球范围内不断普及。
通过增大风车叶片的直径,提高了单台发电能力的发电机成为主流。
利用AC/DC转换器将风力发电机的输出电力转换为直流电,再通过变频器将直流电转换为商用频率的交流电。
富士电机为您提供适用于大容量转换电路的IGBT模块。
| Topology | Double | Direct | Direct + Multi level |
|---|---|---|---|
| Configuration |
|
|
|
| Efficiency | 89% | 90% | 93% |
| Cost | 100% | 98~100% | 90~95% |
| Quality | Low | High | High |
| Gear box | Need | Not need | Not need |
| Step up Transformer | Need | Need | Not need |
| Generator | Induction | Synchronous | Synchronous +Multi winding |
|
Converter capacity |
15~30% | 100% | 100% |
| IGBT | 1700V/450A~1000A | 1700V/1000A~3600A | 3300V/150A~400A |
IGBT modules proposal for Double fed system
| Wind Power Converter | Package | Rotor side | Grid side | ||
|---|---|---|---|---|---|
| IGBT P/N | Number of Parallel | IGBT P/N | Number of Parallel | ||
| 1.5MW | Dual XT | 2MBI450VN-170-50 | 6 | 2MBI450VN-170-50 | 3 |
| EconoPACK?+ | 6MBI450V-170-50 | 2 (It uses as 2in1.) | 6MBI450V-170-50 | 1 (It uses as 2in1.) | |
| PrimePACK? | 2MBI1000VXB-170E-50 | 3 | 2MBI1000VXB-170E-50 | 1 | |
| 2MBI1400VXB-170P-50 | 2 | 2MBI1400VXB-170P-50 | 1 | ||
| HPM | 1MBI1600VC-170E | 2 | 1MBI1600VC-170E | 1 | |
| 2.0MW | Dual XT | 2MBI450VN-170-50 | 8 | 2MBI450VN-170-50 | 4 |
| PrimePACK? | 2MBI1000VXB-170E-50 | 4 | 2MBI1000VXB-170E-50 | 2 | |
| 2MBI1400VXB-170P-50 | 3 | 2MBI1400VXB-170P-50 | 2 | ||
| HPM | 1MBI2400VC-170E | 2 | 1MBI2400VC-170E | 1 | |
| 1MBI2400VD-170E | 2 | ||||
:新产品
:更新
:开发中
注: EconoPACK?为Infineon Technologies公司的注册商标。
注: PrimePACK?为Infineon Technologies公司的注册商标。
IGBT modules proposal for Direct drive system
| Wind Power Converter | Package | Rotor side | Grid side | ||
|---|---|---|---|---|---|
| IGBT P/N | Number of Parallel | IGBT P/N | Number of Parallel | ||
| 1.5MW | PrimePACK? | 2MBI1000VXB-170E-50 | 3 | 2MBI1000VXB-170E-50 | 2 |
| 2MBI1400VXB-170E-50 | 2 | 2MBI1400VXB-170E-50 | 2 | ||
| HPM | 1MBI1200VC-170E | 2 | 1MBI1600VC-170E | 1 | |
| 1MBI2400VC-170E | 1 | 1MBI2400VC-170E | 1 | ||
| 1MBI2400VD-170E | 1 | 1MBI2400VD-170E | 1 | ||
| 2.0MW | PrimePACK? | 2MBI1000VXB-170E-50 | 3 | 2MBI1000VXB-170E-50 | 3 |
| 2MBI1400VXB-170E-50 | 2 | 2MBI1400VXB-170E-50 | 2 | ||
| HPM | 1MBI2400VC-170E | 1 | 1MBI1600VC-170E | 1 | |
| 1MBI2400VD-170E | 1 | ||||
:新产品
:更新
:开发中
注: PrimePACK?为Infineon Technologies公司的注册商标。



